Tianli Electrical Machinery (Ningbo)Co.,Ltd.

Position: Home > Products



Products infomation

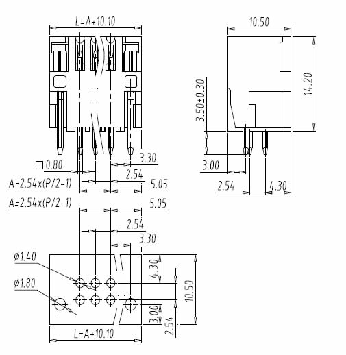
TLP SERIES-Headers(sockets) for pluggable terminal blocks

TLPHDW-020V

PDF
Pitch(间距) 2.54mm
Approval(认证)
Rated voltage(电压) 150V 320V
rated current(电流) 5A 6A
wire range(线径)
PCB hole Dia(PCB直径)
Screw (螺丝)

Housing Material(本质材料)

Poles(级数) Model(型号)
04 TLPHDW-020V-04P
.. ..
48 TLPHDW-020V-48P

PS: For reference only,Prevail Specific data by Specification company provided